公司简介 公司新闻 综合资讯 产品展示 产品目录 客户反馈 联系我们 电子邮局
  主要产品为静态混合器、动态混合设备、传热反应设备、过滤设备、消声设备、阻火设备等
静态混合器
静态混合反应器
管道混合器
SQS型汽水混合器
QD/HT型蒸汽减温器
管道混合反应器
JHF型高粘换热混合器
浸没式汽水加热器
塔式反应器
管式反应器
环管反应器
高效换热器
萃取塔
管道过滤器
自清洗过滤器
空气过滤器
灭菌过滤器
滤件系列
精细过滤器
粉体输送设备
粉体混合设备
液体搅拌设备
消声器
特种小型设备
排水器
纸浆漂白专用设备
除污器(滤水器)
喷射器
纤维除雾器
自动进料搅拌釜

 
喷射器
PSQ-型蒸汽喷射真空泵
PSG-气固喷射器
PSB电线电缆燃烧仪检测喷射器
PSC活性炭喷射器
PSS水泵房喷射节能器
PSY生物柴油喷射器
PST脱硫喷射器
PSD-地坑喷射器
PSJ喷射加热器
罐用喷射器
PSK开工抽引器
PSZ罐底焊缝真空检漏盒抽空器
液固喷射器
抽空器
 
BMV、BMG系列煤气安全阀箱
(一)、BMV/B1-3型煤气安全阀箱
1、用途
本产品适用于金属气焊、气割、火焰表面清理和热加工的硫、焦油、萘等不纯物含量较低的煤气管路用户点。
2、结构特点
本产品外部保护箱采用灰色烤漆防锈,阀箱接点(含岗位回火防止装置)可供1-3人分别使用也可供同时使用。所有仪表可通过阀箱面板窥视孔直接观察,内部所有管路均采用优质碳钢制作。阀箱门接有箱体专用锁,便于集中管理,可避免因误操作造成的能源浪费和泄漏引起的不安全因素。
3、 产品技术参数
BMV/B1-3型煤气安全阀箱技术参数
型号
 项目
BMV/B-1型
BMV/B-2型
BMV/B-3型
正常使用氧气
压力MPa
0.02~1.6
0.02~1.6
0.02~1.6
流量Nm3/H
5
10
15
外形尺寸mm
800×380×280
1800×680×280
800×980×280
接头规格
见附图
见附图
见附图
 注:BMV/B1-3型煤气安全阀箱安装示意图同BC2H2/B1-3型乙炔气用点阀箱安装示意图。
注意事项
本产品在安装过程中请注意进出气口不可接反,发现堵塞应清洗,使用一年后应进行全面检修且需更换密封件,装配后应进行试压、回火试验合格,以保证阻火性能。
(二)、BMG/B1-4型煤气用点阀箱
1、用途
本产品适用于气焊、气割、火焰表面清理和热加工的焦炉煤气及混合煤气管道用点。
2、结构特点
本产品外部保护箱采用灰色烤漆防锈,阀箱接点可供1-4人焊炬或割炬分别使用,也可供同时使用。所用仪表可通过阀箱面板窥视孔直接观察,阀箱内部分配器均选用优质碳钢制作。阀箱门装有箱体专用锁,便于集中管理,可避免因误操作造成的能源浪费和泄漏引起的不安全因素。
3、产品技术参数
BMG/B1-3型煤气安全阀箱技术参数
型号
 项目
BMG/B-1型
BMG/B-2型
BMG/B-3型
BMG/B-4型
正常使用氧气
压力MPa
0.01~0.1
0.01~0.1
0.01~0.1
0.01~0.1
流量Nm3/H
5~10
10~20
15~30
20~40
外形尺寸mm
1400×660×440
1400×660×440
1400×660×440
1400×660×440
接头规格
DN15×1
DN15×2
DN15×3
DN15×4
接管法兰规格
JB/T81-94
PN1.0 DN50
JB/T81-94
PN1.0 DN50
JB/T81-94
PN1.0 DN50
JB/T81-94
PN1.0 DN50
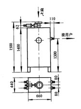
4、BMG/B1-4型煤气接点阀箱安装示意图
5、使用说明
(1)操作时,接管法兰DN50与系统中的阀门相并开阀,用软管将接头DN15与焊炬或割炬相连,关上扫阀及箱内的排污阀即可向焊炬或割炬供煤气。
(2)吹刷时,关上进气阀及接头阀门,用软管吹扫阀门与吹刷介质或氮气相接,打开排污阀即可阀箱进行吹扫。
 
南通沃尔驰石化工程有限公司 地址:启东市汇龙镇中央河中路691号 邮编:226200 http://www.qdkzw.com E-mail:13862978163@126.com
电话:0513-83325673 传真:0513-83119878 手机: 13862978163