公司首页
公司简介
公司新闻
综合资讯
产品展示
产品目录
客户反馈
联系我们
电子邮局
主要产品为静态混合器、动态混合设备、传热反应设备、过滤设备、消声设备、阻火设备等
静态混合器
静态混合反应器
管道混合器
SQS型汽水混合器
QD/HT型蒸汽减温器
管道混合反应器
JHF型高粘换热混合器
浸没式汽水加热器
塔式反应器
管式反应器
环管反应器
高效换热器
列管式高效换热器
非列管式高效换热器
乳化炸药冷却器
萃取塔
管道过滤器
Y型过滤器
T型过滤器
篮式过滤器
临时过滤器
气体过滤器
原油过滤器
活性碳过滤器
自清洗过滤器
手摇刷式过滤器
刷式自清洗过滤器
吸吮式自清洗过滤器
全自动过滤器
空气过滤器
灭菌过滤器
滤件系列
FM金属滤芯
FN非金属滤芯
FP陶瓷滤芯
滤袋系列
精细过滤器
JB袋式精细过滤器
JM金属滤芯精细过滤器
JN非金属滤芯精细过滤器
JP陶瓷滤芯精细过滤器
JO油水聚结分离器
聚结器
SFC自洁式空气精细过滤器
JU油气分离精细过滤器
粉体输送设备
旋转加料器
星形给料机
叶轮给料机
卸料阀
关风机
闭风阀
卸灰阀
星形阀
螺旋输送机
粉体混合设备
WZ无重力粒子混合机
HTM螺条式混合机
DL型螺旋锥形混合机
液体搅拌设备
FA,VA型侧向插入式搅拌机
高剪切混合乳化机
管线式混合乳化机
消声器
特种小型设备
罐下采样器
SJ乏气分油器
SQ蒸汽分水器
SCXQ取样冷却器
采样器
SG视镜
G呼吸阀,阻火呼吸阀
P阻火器
氧气阻火管
中央乙炔回火防止器
内外筒式乙炔回火防止器
氧气用点阀箱
乙炔气用点阀箱
煤气安全阀箱
氧气压力调节阀组
排水器
MGPB型系列煤气冷凝水排水器
1PGB型系列煤气冷凝水排水器
MLPB型系列离心式鼓风机排水器
P1S□单管式煤气管道冷凝水排水器
P2S□单管式煤气管道冷凝水排水器
煤气管道水封器
纸浆漂白专用设备
XGH系列浆氯混合器
QZ-1462型氯气逆止罐
QZ-1463液氯汽化器
氯气吸收器
除污器(滤水器)
SDP型自动排污器
热网除污器
卧式除污器
立式除污器
喷射器
PSQ-型蒸汽喷射真空泵
PSG-气固喷射器
PSB电线电缆燃烧仪检测喷射器
PSC活性炭喷射器
PSS水泵房喷射节能器
PSY生物柴油喷射器
PST脱硫喷射器
PSD-地坑喷射器
PSJ喷射加热器
罐用喷射器
PSK开工抽引器
PSZ罐底焊缝真空检漏盒抽空器
液固喷射器
抽空器
纤维除雾器
自动进料搅拌釜
喷射器
PSQ-型蒸汽喷射真空泵
PSG-气固喷射器
PSB电线电缆燃烧仪检测喷射器
PSC活性炭喷射器
PSS水泵房喷射节能器
PSY生物柴油喷射器
PST脱硫喷射器
PSD-地坑喷射器
PSJ喷射加热器
罐用喷射器
PSK开工抽引器
PSZ罐底焊缝真空检漏盒抽空器
液固喷射器
抽空器
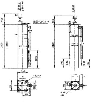
MGPB型系列煤气冷凝水排水器
1、MGPB型排水器适用于不同压力的各种工业煤气架空管道。
2、该排水器必须采用压力给水,给水量为2-4t/h。
3、排水器上设有蒸汽或氮气吹扫头,为防止煤气窜入蒸汽或氮气管内只有在通蒸汽或氮气时,才能把蒸汽或氮气与煤气和管道连通,停用时必须断开或堵盲板。
4、排出器冷凝水应集中处理。
5、设在露天的排水器有寒冷地区要采取防冻措施,设在室内的应有良好的自然通风。
MGPB型排水器系列规格选用表
型 号
允许煤气
最高压力
(KPa)
水封
高度
mm
外形尺寸(mm)
上水管
管径DN
(mm)
上水管
管径DN
(mm)
吹扫管
管径
Φ×δmm
煤气冷凝
水管径
Φ×δmm
筒外径Φ
筒高H
MGPB-I
14.01
2000
426
2400
20
80
Φ159×5
MGPB-II
21.48
2700
529
1750
25
80
Φ22×3
Φ108×6
MGPB-III
34.23
4000
529
2700
25
80
Φ22×3
Φ108×6
MGPB-II、MGPB-III型 MGPB-I型
南通沃尔驰石化工程有限公司 地址:启东市汇龙镇中央河中路691号 邮编:226200
http://www.qdkzw.com
E-mail:13862978163@126.com
电话:0513-83325673 传真:0513-83119878 手机: 13862978163
汽水混合器
|
浸没式汽水混合器
|
汽水混合加热器
|
生水加热器